Application Data
Form
Please use our Application Data Form below to
submit the requirements and specifications of your project. You may
alternatively print a pdf and
fax your completed form.
|
Request A Quote
We would be happy to provide a quote for a seal that meets your unique needs. Contact our engineering department.
Falcon Seal Inc. (FSI)
Phone 941 567-4135
Fax 941 567-4133
Email inquiries
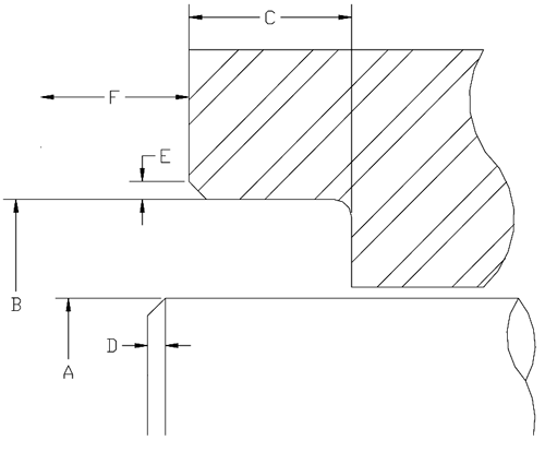
Size Parameters

(Click on image for enlargement) |